Emülsiyon Filtreleme ve Soğutma Sistemi
EMÜLSİYON FİLTRELEME VE SOĞUTMA SİSTEMİ ANA ÖZELLİKLER
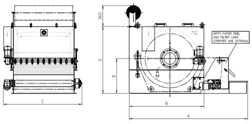
- Filtreleme, yaklaşık olarak 300-400 mm hidrostatik basınç altında yarı silindirik bir kap içinde gerçekleştirilir.
- Silindirik tekerlekler arasına yerleştirilen filtre kağıdı ve filtrenin her iki yanında bulunan AISI 316 taşıyıcı konveyör bant, hidrostatik basınç altında sıvının filtrelenmesini sağlar.
- Filtre kağıdının üstünde kek oluştuktan sonra, filtre kağıdı su geçirmez hale gelir. Sonuç olarak; sıvı seviyesi belli bir yüksekliğe yükselir ve konveyörün otomatik olarak hareket etmesi ile kirli kağıt filtre dışına çıkarılır ve temiz filtre kağıdı filtre içine alınır.
veya doğrudan şu adrese bir e-posta gönderin: marketing@sarmakina.com.tr
